首页
中心概况
课程思政示范课程
课程思政素材库
劳动教育素材库
学校首页
当前位置:
部门首页
>
课程思政专题网站
>
课程思政示范课程
>
校级课程思政示范课程
>
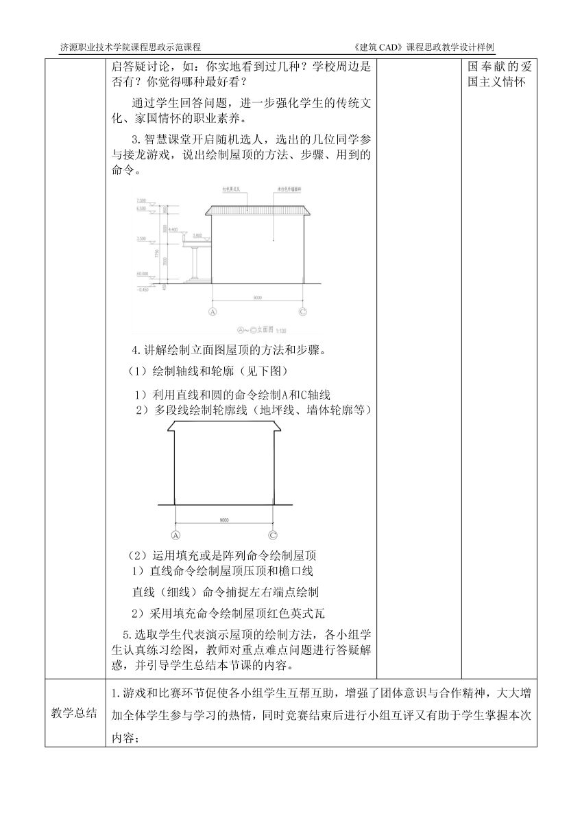
建筑CAD
教学设计样例
打印本页
关闭
版权所有:济源职业技术学院课程思政研究示范中心
地址:河南省济源市济源大道88号 邮编:459000 电话:0391-6621021